JDY-31 Bluetooth module supports SPP protocol and is fully compatible with HC-05/06 slave Bluetooth 3.0
Product Descriptions
New version JDY-31-V1.3 updated on January 8, 2019
Update content:
1. Solved the issue of V1.2 not being able to connect to the computer
2. Added module to connect to the host and output the MAC function of the host
3. Added AT+ENLOG command, users can use this command to turn on or block the power on, connection, and disconnection of serial port output status
Download detailed information: https://pan.baidu.com/s/1alub7gi9Qa1BJMRDjI4DQQ
1、 Product Introduction and Application
JDY-31 Bluetooth is designed based on Bluetooth 3.0 SPP, which supports transparent data transmission for Windows, Linux, and Android. It operates in a 2.4GHz frequency band, uses GFSK modulation, has a high transmission power of 8db, and a large transmission distance of 30 meters. It supports users to modify device names, baud rates, and other commands through AT commands, making it convenient, fast, and flexible to use.
2、 Product application
JDY-31 is a classic Bluetooth protocol that can communicate with Bluetooth enabled computers (desktop, laptop) and mobile phones (Android). Can be applied to
◆ Windows computer Bluetooth serial port transparent transmission
◆ Android Bluetooth serial port transparent transmission
◆ Smart home control
◆ Automotive ODB testing equipment
◆ Bluetooth toys
◆ Shared power bank, shared weight scale
◆ Medical equipment
3.Module parameters
Model | JDY-31 |
Working frequency band | 2.4GHZ |
Communication interface | UART |
Working voltage | 1.8-3.6V (recommended 3.3V) |
Working temperature | -40℃ - 80℃ |
Antenna | Built in PCB antenna |
Transmission distance | 30 meters |
Master slave support | From machine |
Module size | 19.6 * 14.94 *1.8 mm (length, width, height) |
Bluetooth version | Bluetooth 3.0 SPP |
STM welding temperature | <260℃ |
Not connected to working current | 4.7mA |
Current after BLE connection | 7.3mA |
Transmission power | 8db (large) |
Receiving sensitivity | -97dbm |
SPP high throughput | 16K bytes/s(android、windows) |
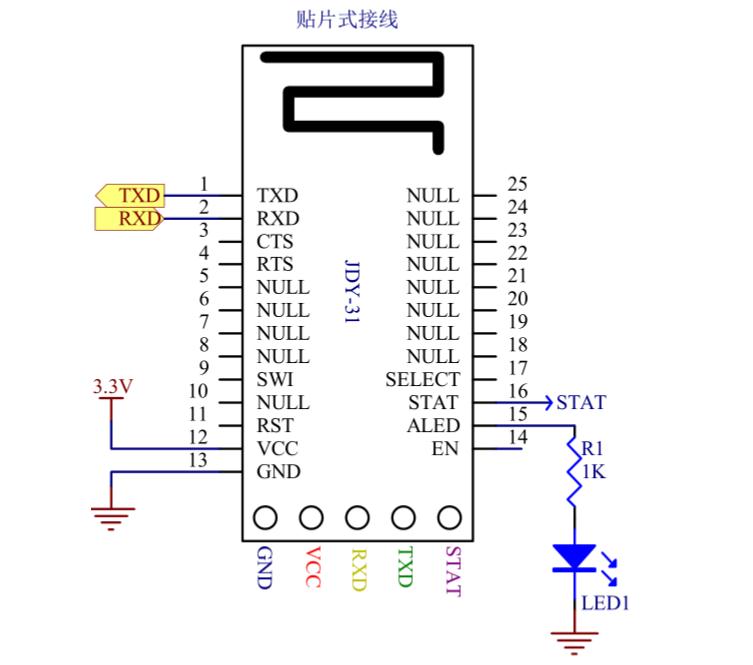
4、 Pin functions and applications

JDY-31 supports SMT and soldering pin arrangement
1. Needle setting application: The needle setting specification is a standard 2.54 pitch needle setting, which only requires welding 5 needle setting holes on the module.
2. Surface mount application: Generally, only four pins VCC, GND, RXD, and TXD need to be connected. If active disconnection is required in the connected state, send AT+DusC in the connected state
5、 Pin Function Description
Pin | Pin function | Pin Function Description |
1 | TXD | Serial port output pin (TTL level) |
2 | RXD | Serial port output pin (TTL level) |
3 | CTS | |
4 | RTS | |
5 | NULL | |
6 | NULL | |
7 | NULL | |
8 | NULL | |
9 | SWI | |
10 | NULL | |
11 | RST | Reset (low level effective) |
12 | VCC | Power supply (1.8-3.6V) |
13 | GND | Grounds |
14 | EN | |
15 | ALED | Broadcast status pin (not connected to flash, outputs high level after connection) |
16 | STAT | Connect status pin (not connected to low level, outputs high level after connection) |
17 | SELECT | |
18 | NULL | |
19 | NULL | |
20 | NULL | |
21 | NULL | |
22 | NULL | |
23 | NULL | |
24 | NULL | |
25 | NULL |
6、 PCB packaging size

7、 Serial port AT instruction set
The JDY-32 module's serial port must include the AT command when sending it
Sequence | nstructions | Function | Default |
1 | AT+VERSION | Version number | JDY-31-V1.2 |
2 | AT+RESET | Soft reset | |
3 | AT+DISC | Disconnect (valid in connected state) | |
4 | AT+LADDR | Query the MAC address of the module | |
5 | AT+PIN | Connection password setting and query | 1234 |
6 | AT+BAUD | Baud rate setting and query | 9600 |
7 | AT+NAME | Broadcast Name Setting and Query | JDY-31-SPP |
8 | AT+DEFAULT | Restore factory settings |
Compatibility and Performance Comparison
JDY-30 | JDY-31 | ||
Working current | 19mA | 7.3mA |
JDY-31has obvious advantages |
Transmission speed | 8KByte | 16KByte | |
Compatibility | Slow search, | Fast search and connection |
JDY-30 will be discontinued and will be replaced by JDY-31 in the future






